Posts

Showing posts from September, 2020

KWH Meter Prabayar

Image
Pembacaan kWh Meter Daya yang dikonsumsi ditunjukkan oleh meter energi dalam bentuk 1 unit atau 1 kilo watt jam (hour) energi yang dikonsumsi. 1 kWh mengacu pada energi listrik yang dibutuhkan untuk menyediakan daya 1000 watt selama 1 jam. Unit energi yang dikonsumsi terdeteksi oleh meter energi yang menunjukkan jumlah daya yang dikonsumsi dalam bentuk unit energi. Pengukur energi terdiri dari dua jenis - Pengukur Elektromekanik dan Pengukur Elektronik. Untuk kedua meter, pembacaan dilakukan dari kiri ke kanan. Meteran elektromekanis terdiri dari piringan aluminium yang diposisikan di antara dua elektromagnet, yang salah satu kumparannya terhubung ke beban dan merupakan kumparan arus dan kumparan elektromagnet lain terhubung ke tegangan supply. Interaksi fluks antara dua kumparan bertanggung jawab untuk menyediakan torsi ke disk, yang mulai berputar, dengan putaran yang sebanding dengan arus beban. Penghitung mencatat jumlah revolusi dan menampilkannya, yang menunjukk...

Pengertian Sensor Passive Infra Red

Image
Sensor PIR atau disebut juga denganPassive Infra Red merupakan sensor yang digunakan untuk mendeteksi adanya pancaran sinar infra merah dari suatu object. Sesuai dengan namanya sensor PIR bersifat pasif, yang berarti sensor ini tidak memancarkan sinar infra merah melainkan hanya dapat menerima radiasi sinar infra merah dari luar.  Sensor PIR dapat mendeteksi radiasi dari berbagai objek dan karena semua objek memancarkan energi radiasi, sebagai contoh ketika terdeteksi sebuah gerakan dari sumber infra merah dengan suhu tertentu yaitu manusia mencoba melewati sumber infra merah yang lain misal dinding, maka sensor akan membandingkan pancaran infra merah yang diterima setiap satuan waktu, sehingga jika ada pergerakan maka akan terjadi perubahan pembacaan pada sensor. Sensor PIR terdiri dari beberapa bagian yaitu, Lensa Fresnel, Penyaring Infra Merah, Sensor Pyroelektrik, Penguat Amplifier, Komparator. Cara Kerja Sensor Passive Infra Red Sensor PIR bekerja dengan ...

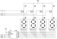
Metode Multiplexing 7 Segment

Image
Metode multiplexing penampil 7 segment bertujuan untuk melakukan penghematan jalur kontrol pada proses penampilan data ke peraga 7 segmen yang banyak. Metode multiplex ini sering digunakan pada penampil data suatu pernagkat yang membutuhkan banyak karakter atau digit yang disusun dari peraga 7 segmen. Rangkaian peraga 7 segmen dengan metode multiplex dapat kita jumpai pada aplikasi rangkaian elektronika menggunakan kontrol berupa mikrokontroler dengan display 7 segment. Metode multiplexing untuk peraga/penampil 7 segmen dapat dibuat dengan dekoder BCD ke 7 segment ataupun langsung menggunakan mikrokontroler dalam proses dekodingnya. Gambar rangkaian berikut adalah contoh membuat peraga menggunakan penampil 7 segment 4 digit menggunakan metode multiplex yang diperuntukan untuk mikrokontroler. Rangkaian Penampil 7 Segmen 4 Digit Dengan metode Multiplex Rangkaian penampil menggunakan 7 segment 4 digit diatas merupakan rangkaian yang dalam pengoperasiannya menggunakan metod...

Rangkaian Amplifier Stereo 11 Watt IC LM4752

Image
Rangkaian amplifier stereo dengan menggunakan IC LM4752 ini dapat menghasilkan daya 11 Watt pada setiap kanalnya dengan beban loudspeaker 4 ohm. sedangkan pada beban 8 ohm akan menghasilkan daya rata-rata sekitar 7 Watt saja, dengan tingkat distorsi tidak lebih dari 10%. IC LM4752 ini di desain khusus untuk keperluan amplifier yang mengunakan powetr supply daya rendah, yang mana dengan daya output yang dihasilkannya, cocok untuk dipakai pada bagian amplifier pada compact disk, ataupun pada rangkaina TV stereo. Selain itu konstruksinya begitu sederhana karena sudah terintergrasi dalam satu chip IC. Sehingga hanya memerlukan beberapa komponen resistor dan kapasitor sebagai pendukungnya. Untuk bisa bekerja dengan optimal, rangkaian amplifier LM4752 membutuhkan tegangan suplai antara +9V hingga +24V. Hal ini cukup untuk beroperasi untuk digabungkan dengan perangkat multimedia pada umumnya yang rata-rata menggunakan tegangan sebesar +12V. Skema Rangkaian Amplifier Stereo 11 Watt ...

Pengertian Sensor Efek Hall (Hall Effect Sensor) dan Prinsip Kerjanya

Image
Sensor Efek Hall atau dalam bahasa Inggris disebut dengan Hall Effect Sensor adalah komponen jenis transduser yang dapat mengubah informasi magnetik menjadi sinyal listrik untuk pemrosesan rangkaian elektronik selanjutnya. Sensor Efek Hall ini sering digunakan sebagai sensor untuk mendeteksi kedekatan (proximity), mendeteksi posisi (positioning), mendeteksi kecepatan (speed), mendeteksi pergerakan arah (directional) dan mendeteksi arus listrik (current sensing). Sensor Magnetik yang terbuat dari bahan semikonduktor ini merupakan komponen populer pilihan para perancang elektronika untuk aplikasi-aplikasi non-contact mereka karena kehandalannya dan mudah dirawat. Sensor Efek Hall juga tahan terhadap air, debu dan getaran apabila dibungkus dengan pelindung yang benar. Salah satu penggunaan Hall Effect Sensor ini adalah pada produk otomotif seperti mendeteksi posisi jok mobil, sensor sabuk pengaman, indikator minyak dan kecepatan roda untuk sistem pengereman ABS (Anti-Lock Brakin...

Teknologi Layar OLED, Arsitektur, Jenis dan Aplikasinya

Image
Organic light emitting diode atau OLED berasal dari kelas LED sebagai salah satu teknologi tampilan utama yang berbeda dengan daya rendah dan kombinasi warna yang hebat. Teknologi OLED menggunakan prinsip electroluminescence (pendaran listrik) yang dapat dinyatakan sebagai fenomena optik dan listrik di mana bahan-bahan tertentu memancarkan cahaya sebagai respons terhadap arus listrik yang melewatinya. Teknologi OLED ini banyak digunakan untuk membuat tampilan digital di perangkat seperti layar TV, monitor komputer dan sistem portabel seperti ponsel, pemutar mp3 dan kamera digital, dll. Dioda ini memiliki ketebalan sekitar 100 hingga 500 nanometer dan 200 kali lebih kecil dari rambut manusia. Layar OLED sangat mahal daripada layar LCD karena mereka menggunakan teknologi pencetakan ink-jet dan semprotan zat polimer konduktif bukan tinta. Tampilan OLED menguntungkan karena cerah, jernih, tipis, ringan, dan memiliki sudut pandang yang efisien. Terlepas dari ini, mereka da...

Definisi Dan Prinsip Kerja Motor Listrik Sinkron

Image
Motor arus bolak-balik (Motor AC) menggunakan arus listrik yang membalikkan arahnya secara teratur pada rentang waktu tertentu. Motor listrik memiliki dua buah bagian dasar listrik: “stator” dan “rotor” seperti ditunjukkan dalam gambar dibawah. Stator merupakan komponen listrik statis. Rotor merupakan komponen listrik berputar untuk memutar as motor. Salah satu jenis motor listrik AC adalah motor AC sinkron  yang dijelaskan sebagai berikut. Konstruksi Motor Sinkron Motor sinkron adalah motor AC, bekerja pada kecepatan tetap pada sistim frekwensi tertentu. Motor ini memerlukan arus searah (DC) untuk pembangkitan daya dan memiliki torque awal yang rendah, dan oleh karena itu motor sinkron cocok untuk penggunaan awal dengan beban rendah, seperti kompresor udara, perubahan frekwensi dan generator motor. Motor sinkron mampu untuk memperbaiki faktor daya sistim, sehingga sering digunakan pada sistim yang menggunakan banyak listrik. Komponen utama motor sinkron adalah : ...

Rangkaian Power Amplifier OCL 100 Watt

Image
Rangkaian power amplifier OCL 100 Watt ini termasuk dalam kategori kalangan yang sudah Pro-Audio. Karena selain daya outputnya yang cukup tinggi, kualitas suara yang dihasilkan cukup memuaskan. Dengan output 100 Watt RMS pada loudspeaker 4 ohm dan 88 Watt RMS pada loudspeaker 8 ohm, menjadikan rangkaian amplifier ini cocok digunakan pada kondisi indoor ataupun outdoor. Rangkaian power amplifier OCL 100 Watt ini bekerja pada kelas AB yang efisiensinya mencapai ±80%. Pencapaian efisiensi ini sudah cukup baik untuk mendapatkan kualitas suara yang memuaskan dengan respon frekuensi yang luas. Adapaun rangkaian Power Amplifier OCL 100 Watt adalah sebagai berikut: Rangkaian Power Amplifier OCL 100 Watt seperti terlihat gambar diatas menggunakan Pre-Amp berbasis penguat diferensial seperti halnya penguat operasional (Op-Amp) hanya saja pada rangkaian ini menggunakan transistor sepenuhnya. Jika menginginkan daya keluaran yang lebih tinggi lagi, maka transistor MJ15003 dan MJ15...

Besaran Fisik (Stimulus) Dan Output Sensor

Image
Sensor atau transduser adalah komponen elektronika yang dapat memberikan perubahan output besaran listrik dari perubahan fisik yang diterimanya. Stimulus sensor merupakan entitas atau besaran fisik yang dapat mempengaruhi output sensor.  Sensor bekerja dengan cara mengubah entitas menjadi besaran listrik. Seuatu sensor akan memberikan perubahan output apabila sensor tersebut menerima perubahan besaran fifik (stimulus) yang sesuai dengan jenis sensor tersebut. Besaran fisik (stimulus) yang dapat mempengaruhi nilai output dari sensor elektronik adalah sebagai berikut. Macam-Macam  Stimulus (Besaran Fisik) Sensor 1. Akustis : gelombang (frekuensi amplitudo,fase), kecepatan rambat, spektrum,dll 2. Elektris : arus, tegangan, medan, konduktivitas, permitivitas, dll 3. Magnetis : medan (amplitudo, polarisasi, fase, spektrum), fluks, permenbility, dll 4. Optis : gelombang(amplitudo, frekuensi, fase, spektrum), kecepatan, pantulan penyerapan 5. Termis : temperatur, laju rambat...

Prinsip dan Cara Kerja Soft Starter

Image
Soft starter adalah sebuah perangkat yang mengontrol percepatan motor listrik dengan cara mengendalikan tegangan yang diberikan. Sekarang mari kita mengingat kembali kebutuhan untuk memiliki soft starter untuk motor apa pun. Motor Induksi memiliki kemampuan untuk memulai sendiri karena interaksi antara fluks medan magnet yang berputar dan fluks belitan rotor, menyebabkan arus rotor yang tinggi ketika torsi bertambah. Akibatnya stator menarik arus tinggi dan pada saat motor mencapai kecepatan penuh, sejumlah besar arus (lebih besar dari nilai arus) yang ditarik dan ini dapat menyebabkan pemanasan motor, akhirnya merusaknya. Untuk mencegah hal ini, soft starter motor diperlukan. Soft starter motor dapat dalam 3 cara • Menerapkan tegangan beban penuh pada interval waktu: Direct On Line Starting • Menerapkan pengurangan tegangan secara bertahap: Star Delta Starter dan Soft starter • Menerapkan bagian winding starting: Autotransformer starter Definisi Soft Startin...

Pengertian Termokopel (Thermocouple) dan Prinsip Kerjanya

Image
Termokopel (Thermocouple) adalah jenis sensor suhu yang digunakan untuk mendeteksi atau mengukur suhu melalui dua jenis logam konduktor berbeda yang digabung pada ujungnya sehingga menimbulkan efek “Thermo-electric”. Efek Thermo-electric pada Termokopel ini ditemukan oleh seorang fisikawan Estonia bernama Thomas Johann Seebeck pada Tahun 1821, dimana sebuah logam konduktor yang diberi perbedaan panas secara gradient akan menghasilkan tegangan listrik. Perbedaan Tegangan listrik diantara dua persimpangan (junction) ini dinamakan dengan Efek “Seeback”. Termokopel merupakan salah satu jenis sensor suhu yang paling populer dan sering digunakan dalam berbagai rangkaian ataupun peralatan listrik dan Elektronika yang berkaitan dengan Suhu (Temperature). Beberapa kelebihan Termokopel yang membuatnya menjadi populer adalah responnya yang cepat terhadap perubahaan suhu dan juga rentang suhu operasionalnya yang luas yaitu berkisar diantara -200˚C hingga 2000˚C. Selain respon yang cepat dan ...

Dekoder TTL BCD Ke 7 Segment

Image
Dekoder BCD ke 7 segment jenis TTL adalah rangkaian yang berfungsi untuk mengubah kode bilangan biner BCD (Binary Coded Decimal) menjadi data tampilan untuk penampil/display 7 segment yang bekerja pada tegangan TTL (+5 volt DC). Dalam artikel ini dekoder BCD ke 7 segmen yang digunakan adalah jenis TTL. Decoder BCD ke 7 segmen jenis TTL ada beberapa macam diantaranya keluarga IC TTL 7447 dan keluarga IC TTL 7448.  Kedua IC TTL: tersebut memiliki fungsi yang sama namun peruntukannya berbeda IC 7447 digunakan untuk driver 7 segment common anoda sedangkan IC 7448 digunakan untuk driver dispaly 7 segment common cathode. IC dekoder BCD ke 7 segment sering juga dikenal sebagai driver display 7 segment karena selalu digunakan untuk memberikan driver sumber tegangan ke penampil 7 segment. Konfigurasi Pin IC Dekoder BCD Ke 7 Segmen 7447 Dan 7448 • Jalur input data BCD, pin input ini terdiri dari 4 line input yang mewakili 4 bit data BCD dengan sebutan jalur input A, B, C  d...

Rangkaian Power Amplifier 500 Watt APEX

Image
Skema Rangkaian power amplifier 500 Watt Apex ini memiliki kemampuan menyalurkan sinyal audio berdaya tinggi, yang mana Amplfier ini memerlukan beban loudspeaker yang mumpuni agar amplifier dapat bekerja dengan optimal. Sesuai dengan judulnya, power amplifier ini memiliki daya output sebesar 500 Watt RMS pada beban loudspeaker 8 ohm. Karena amplifier ini untuk keperluan outdoor, maka speaker yang dapat digunakan hingga 18 inci. Agar respon frekuensi yang dihasilkan lebih baik, biasanya amplifier berdaya tinggi dirancang dengan kelas AB dan tanpa kopling kapasitor pada outputnya atau biasa disebut dengan OCL (Output Capacitor Less). Transistor penguat akhir yang digunakan pada rangkaian power amplifier kali ini adalah tipe 2SC5200 dan 2SA1943. Kedua transistor tersebut adalah tipe NPN dan PNP karena pada OCL selalu menggunakan konfigurasi push-pull. Agar dapat menghasilkan daya output yang tinggi, bagian yang penting bukan hanya ditentukan dari penguat akhir yang digunakan...

Rangkaian Amplifier Stereo Mobil TDA1535

Image
Rangkaian Amplifier stereo mobil ini memang cocok diperuntukan untuk kendaraan. Meskipun begitu bukan berarti rangkaian ampifier ini tidak cocok dipergunakan untuk amplifier ruangan, semuanya tergantung selera dan desain audio yang dibutuhkan. Rangkaian Amplifier stereo mobil TDA1535 memiliki daya output 2x 22 Watt (Stereo) yang dirancang dengan sistem jembatan (bridge) pada beban loudspeakernya sehingga tidak ada ground yang terhubung pada speaker outputnya. Seperti skema rangkaian yang diunjukan di atas terlihat bahwa rangkaiannya begitu sangat sederhana karena memang amplifier ini sudah terintegrasi dengan rangkaian dari ICTDA1535 sehingga hanya memerlukan beberapa komponen saja. Dengan rangkaiannya yang sederhana maka amplifier ini memang cocok untuk keperluan mobile atau rancangan audio yang tidak terdapat tempat yang cukup besar untuk menyimpan sebuah amplifier. Salah satu kelebihan dari IC TDA1535 adalah terdapat perlindungan terhadap hubung singkat (short), po...

Titik Cut-Off Transistor

Image
Titik cut-off transistor adalah titik dimana transistor tidak menghantarkan arus dari kolektro ke emitor, atau titik dimana transistor dalam keadaan menyumbat. Pada titik ini tidak ada arus yang mengalir dari kolektor ke emitor. Titik Cutoff didefinisikan juga sebagai keadaan dimana IE = 0 dan IC = ICO, dan diketahui bahwa bias mundur VBE.sat = 0,1 V (0 V) akan membuat transistor germanium (silikon) memasuki daerah cutoff. Titik cut-off transistor ini dapat dianalogikan sebagai saklar dalam kondisi terbuka (Off) sebagai berikut. Titik Cut-Off Transistor Adalah Transistor Dalam Kondisi Off (Saklar Terbuka) Titik cut-off transistor terjadi pada saat transistor tidak mendapat bias pada basis, sehingga transistor tidak konduk atau mengalirkan arus dari kolektor ke emitor. Titik cut-off transistor ini memiliki VCE yang maksimum yaitu mendekati VCC seperti ditunjunkan pada grafik titik cut-off pada garis beban transistor berikut. Grafik Titik Cut-Off Pada Garis Beban Transist...

Hukum Lenz – Pengertian dan Bunyi Hukum Lenz

Image
Hukum Lenz adalah hukum elektromagnetik yang dapat digunakan untuk menentukan arah gaya gerak listrik yang dihasilkan oleh induksi elektromagnetik. Hukum ini ditemukan pada tahun 1834 oleh fisikawan Rusia yang bernama Heinrich Friedrich Emil Lenz. Hukum Lenz tentang Induksi Elektromagnetik ini menyatakan bahwa arah arus yang diinduksi dalam sebuah konduktor oleh medan magnet yang berubah (sesuai hukum Faraday tentang induksi elektromagnetik) adalah sedemikian rupa sehingga medan magnet yang diciptakan oleh arus induksi akan bertentangan dengan perubahan medan magnet awal yang menghasilkannya. Arah aliran ini dapat mengikuti aturan tangan kanan Fleming. Bunyi Hukum Lenz Bunyi Hukum Lenz adalah sebagai berikut : “Gaya Gerak Listrik atau GGL induksi selalu membangkitkan arus yang medan magnetnya berlawanan dengan asal perubahan fluks”. Untuk lebih jelas mengenai Hukum Lenz tentang Induksi Elektromagnetik ini, silakan lihat gambar dan penjelasan singkat seperti dibawah ...

Teknik Elektronika dan Radio Komunikasi

Iklan feed