Metode Multiplexing 7 Segment
Metode multiplexing penampil 7 segment bertujuan untuk melakukan penghematan jalur kontrol pada proses penampilan data ke peraga 7 segmen yang banyak. Metode multiplex ini sering digunakan pada penampil data suatu pernagkat yang membutuhkan banyak karakter atau digit yang disusun dari peraga 7 segmen. Rangkaian peraga 7 segmen dengan metode multiplex dapat kita jumpai pada aplikasi rangkaian elektronika menggunakan kontrol berupa mikrokontroler dengan display 7 segment.
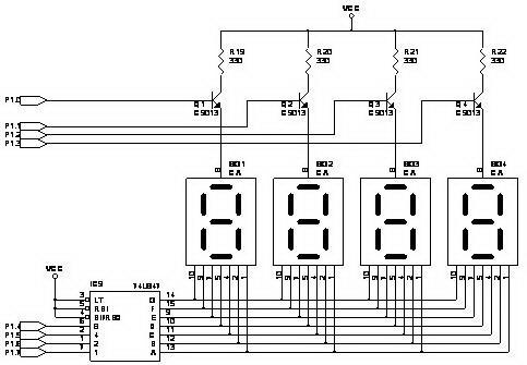
Metode multiplexing untuk peraga/penampil 7 segmen dapat dibuat dengan dekoder BCD ke 7 segment ataupun langsung menggunakan mikrokontroler dalam proses dekodingnya. Gambar rangkaian berikut adalah contoh membuat peraga menggunakan penampil 7 segment 4 digit menggunakan metode multiplex yang diperuntukan untuk mikrokontroler.
Rangkaian Penampil 7 Segmen 4 Digit Dengan metode Multiplex
Rangkaian penampil menggunakan 7 segment 4 digit diatas merupakan rangkaian yang dalam pengoperasiannya menggunakan metode multiplex. Dengan metode multiplex seperti yang digunakan pada rangkaian diatas maka cukup 1 port mikrokontroler yang digunakan untuk interface mikrokontroler dengan rangkaian display 4 digit.
Rangkaian penampil 7 segment 4 digit diatas terdiri dari beberapa bagian sebagai berikut :
• Bagian Dekoder, bagian dekoder ini menggunakan IC decoder BCD to 7 Segment IC 74LS247 yang merupakan driver penampil 7 segmen common anoda. Bagian dekoder BCD to 7 segmen ini berfungsi untuk mengubah data bilangan biner BCD (Binarry Coded Decimal) menjadi data tampilan 7 segmen.
• Bagian penampil, bagian ini disusun dengan 4 buah peraga 7 segmen common anoda yang disusun paralel untuk jalur inputnya dan untuk jalur common anodanya dihubungkan ke rangkaian saklar kontrol digit. Bagian ini berfungsi untuk mengubah data tampilan 7 segmen menjadi tampilan visual dari nyala LED pad penampil 7 segmen.
• Bagian saklar kontrol ruas, bagian ini berfungsi untuk mengontrol nyala peraga 7 segmen pada tiap ruas atau kolom secara bergantian dengan kecepatan sesuai kontrol dari mikrokontroler. bagian ini berupa saklar elektronik dengan transistor FCS9013 yang diset sebagai saklar.
Proses menyalakan penampil 7 segmen 4 digit pada rangkaian diatas dilakukan secara bergantian yang dikontrol oleh mikrokontroler. Misalkan untuk menampilkan angka 1234 pada penampil 7 segmen 4 digit tersebut dilkukan secara bertahap dengan cepat sebagai berikut.
Pertama mengirim kode BCD “1” ke jalur input dekoder 74LS247 dan mengaktifkan ruas penampil digit pertama saja dan display yang lain dimatikan. Kemudian mengirimkan kode BCD “2” ke jalur input dekoder 74LS247 dan hanya mengaktifkan penampil pada digit kedua saja dan yang lain di off-kan. Kemudian mengirimkan kode BCD “3” ke jalur input dekoder 74LS247 dan menyalakan hanya digit ke 3 dan digit penampil 7 segmen yang lain di off-kan. Kemudian mengirikan data BCD “4” ke jalur input dekoder 74LS247 dan menyalakan hanya digit ke 4 dan digit penampil 7 segmen yang lain di off-kan. Prose ini dilakukan dengan cepat dan memberikan waktu tunda pada setiap menyalakan 1 ruas/digit penampil 7 segmen sehingga seolah-olah semua penampil nyala secara bersamaan.
