Konsep Dasar Penyearah Gelombang (Rectifier)
Konsep dasar penyearah gelombang yang dimaksud dalam artikel ini adalah konsep penyearah gelombang dalam suatu power supply atau catu daya. Penyearah gelombang (rectifier) adalah bagian dari power supply / catu daya yang berfungsi untuk mengubah sinyal tegangan AC (Alternating Current) menjadi tegangan DC (Direct Current). Komponen utama dalam penyearah gelombang adalah diode yang dikonfiguarsikan secara forward bias. Dalam sebuah power supply tegangan rendah, sebelum tegangan AC tersebut di ubah menjadi tegangan DC maka tegangan AC tersebut perlu di turunkan menggunakan transformator stepdown.
Ada 3 bagian utama dalam penyearah gelombang pada suatu power supply yaitu, penurun tegangan (transformer), penyearah gelombang / rectifier (diode) dan filter (kapasitor) yang digambarkan dalam blok diagram berikut.
Ada 3 bagian utama dalam penyearah gelombang pada suatu power supply yaitu, penurun tegangan (transformer), penyearah gelombang / rectifier (diode) dan filter (kapasitor) yang digambarkan dalam blok diagram berikut.
Pada dasarnya konsep penyearah gelombang dibagi dalam 2 jenis yaitu, Penyearah setengah gelombang dan penyearah gelombang penuh.
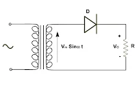
Penyearah Setengah Gelombang (Half Wave rectifier)
Penyearah setengah gelombang (half wave rectifer) hanya menggunakan 1 buah diode sebagai komponen utama dalam menyearahkan gelombang AC. Prinsip kerja dari penyearah setengah gelombang ini adalah mengambil sisi sinyal positif dari gelombang AC dari transformator. Pada saat transformator memberikan output sisi positif dari gelombang AC maka diode dalam keadaan forward bias sehingga sisi positif dari gelombang AC tersebut dilewatkan dan pada saat transformator memberikan sinyal sisi negatif gelombang AC maka dioda dalam posisi reverse bias, sehingga sinyal sisi negatif tegangan AC tersebut ditahan atau tidak dilewatkan seperti terlihat pada gambar sinyal output penyearah setengah gelombang berikut.
Formulasi yang digunakan pada penyearah setengah gelombang sebagai berikut.
Penyearah Gelombang Penuh (Full wave Rectifier)
Penyearah gelombang penuh dapat dibuat dengan 2 macam yaitu, menggunakan 4 diode dan 2 diode. Untuk membuat penyearah gelombang penuh dengan 4 diode menggunakan transformator non-CT seperti terlihat pada gambar berikut :
Prinsip kerja dari penyearah gelombang penuh dengan 4 diode diatas dimulai pada saat output transformator memberikan level tegangan sisi positif, maka D1, D4 pada posisi forward bias dan D2, D3 pada posisi reverse bias sehingga level tegangan sisi puncak positif tersebut akan di leawatkan melalui D1 ke D4. Kemudian pada saat output transformator memberikan level tegangan sisi puncak negatif maka D2, D4 pada posisi forward bias dan D1, D2 pada posisi reverse bias sehingan level tegangan sisi negatif tersebut dialirkan melalui D2, D4. Untuk lebih jelasnya dapat dilihat pada grafik output berikut.
Penyearah gelombang dengan 2 diode menggunakan tranformator dengan CT (Center Tap). Rangkaian penyearah gelombang penuh dengan 2 diode dapat dilihat pada gambar berikut :
Prinsip kerja rangkaian penyearah gelombang penuh dengan 2 dioda ini dapat bekerja karena menggunakan transformator dengan CT. Transformator dengan CT seperti pada gambar diatas dapat memberikan output tegangan AC pada kedua terminal output sekunder terhadap terminal CT dengan level tegangan yang berbeda fasa 180°. Pada saat terminal output transformator pada D1 memberikan sinyal puncak positif maka terminal output pada D2 memberikan sinyal puncak negatif, pada kondisi ini D1 pada posisi forward dan D2 pada posisi reverse. Sehingga sisi puncak positif dilewatkan melalui D1.
Kemudian pada saat terminal output transformator pada D1 memberikan sinyal puncak negatif maka terminal output pada D2 memberikan sinyal puncak positif, pada kondisi ini D1 posisi reverse dan D2 pada posisi forward. Sehingga sinyal puncak positif dilewatkan melalui D2. Untuk lebih jelasnya dapat dilihat pada gambar output penyearah gelombang penuh berikut.
Kemudian pada saat terminal output transformator pada D1 memberikan sinyal puncak negatif maka terminal output pada D2 memberikan sinyal puncak positif, pada kondisi ini D1 posisi reverse dan D2 pada posisi forward. Sehingga sinyal puncak positif dilewatkan melalui D2. Untuk lebih jelasnya dapat dilihat pada gambar output penyearah gelombang penuh berikut.
Formulasi pada penyearah gelombang penuh sebagai berikut.
Penyearah Dilengkapi Filter Kapasitor
Agar tegangan penyearahan gelombang AC lebih rata dan menjadi tegangan DC maka dipasang filter kapasitor pada bagian output rangkaian penyearah seperti terlihat pada gambar berikut.
Fungsi kapasitor pada rangkaian diatas untuk menekan riple yang terjadi dari proses penyearahan gelombang AC. Setelah dipasang filter kapasitor maka output dari rangkaian penyearah gelombang penuh ini akan menjadi tegangan DC (Direct Current) yang dpat diformulasikan sebagai berikut :
Kemudian untuk nilai riple tegangan yag ada dapat dirumuskan sebagai berikut :











