Rangkaian Dasar Elektronika Daya Adaptor
Rangkaian dasar elektronika adaptor termasuk salah satu rangkaian daya karena dapat mengubah arus AC menjadi DC. Pada artikel sebelumnya kita telah membahas mengenai rangkaian elektronika dasar. Anda bisa membacanya terlebih dahulu untuk menambah referensi.
Selain itu anda bisa mempelajari apa itu elektronika daya dan komponen-komponennya pada artikel komponen elektronika daya. Dalam artikel tersebut, anda akan mendapatkan informasi lebih lengkap mengenai elektronika daya sebelum belajar mempelajari rangkaian elektronika daya.
Rangkaian Dasar Elektronika
Seperti yang telah dikatakan tadi bahwa adaptor merupakan salah satu jenis rangkaian elektronika daya. Oleh karena itu kita akan membahas informasi lebih lanjut mengenai rangkaian adaptor. Dan pada kesempatan yang akan datang kemungkinana akan ditambahkan lagi beberapa rangkaian lainnya yang termasuk ke dalam rangkaian elektronika daya.
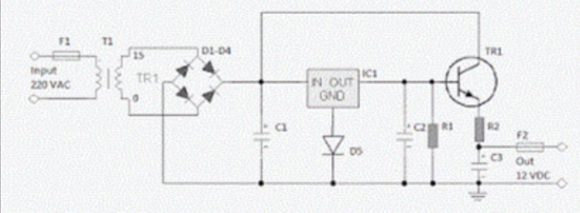
Untuk membuat sebuah adaptor sebenarnya terbilang sangat sederhana, karena komponen yang diperlukan untuk membuat sebuah adaptor sederhana juga tak banyak. Hanya ada beberapa komponen dasar seperti transformator atau trafo, dioda, kapasitor, resistor, dan juga transistor.
Skema rangkainnya pun juga sangat mudah. Melalui skema rangkaian sederhana seperti yang ada pada gambar, anda bisa membuat sebuah jalur PCB menggunakan bantuan software ataupun menggunakan PCB IC ditambah dengan kabel. Anda bisa mengatur input dan output dari adaptor yang dibuat dengan memodifikasi beberapa komponen yang ada di dalamnya.
Sekedar informasi bahwa rangkaian adaptor ini banyak digunakan oleh perangkat-perangkat elektronika yang ada di sekitar kita seperti radio dan amplfier. Selain itu juga banyak toko komponen elektronika yang menjual rangkaian elektronika adaptor sederhana siap pakai yang banyak sekali macamnya.
Salah satu kelebihan yang dimiliki oleh adaptor adalah lebih praktis. Apalagi jika kita menggunakan accu atau baterai. Anda bisa memodifikasi sebuah rangkaian adaptor sesuai kebutuhan, misal mengganti input dan uotput sampai dengan mengganti salurannya seperti menggunakan kabel biasa ataupun jack.
Nah, itulah tadi sedikit informasi mengenai rangkaian dasar elektronika daya adaptor. Semoga artikel tadi memberikan manfaat.
